
咨詢熱線15725685099
作為全球*大雇主排行榜第十位的富士康,攜手阿里14億布局機器人行業,*有新聞報道出3C機器人未來5年需求或達30萬臺,可見機器人是未來發展趨勢。從*初的普銑到現在的數控銑床

加工中心 銑螺紋可以通過多種方法實現,本文就加工中心通用銑螺紋宏程序工作原理、優勢及案例分享。 工作原理 使用G03/G02三軸聯動走螺旋線,刀具沿工件表面(孔壁或圓柱外表)切

本文主要就臥式加工中心編程實例端蓋講解,端蓋是一種常見的加工工件,加工工序包括銑平面、鏜孔、鉆孔、擴孔、攻螺紋等多種工序。 1.確定工藝方案及工藝路線 (1)分析圖紙,確

加工中心加工內螺紋一般有兩種方法:攻絲和銑螺紋。但是螺紋加工的問題如果解決不好,就會影響加工效率和被加工零件的加工精度。加工中心由于其生產效率及加工精度高、加工質

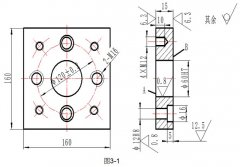
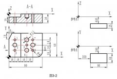
1、工藝分析 本實例中零件圖及毛坯位置圖如圖3-2所示,其中,#1、#2、#5、#6、#7、#8、孔深10mm,#3、#4、#9為通孔。由于零件較小,外形規則,采用平口鉗裝夾即可,選擇以下四種刀具進
